- Бренды:
- Все бренды
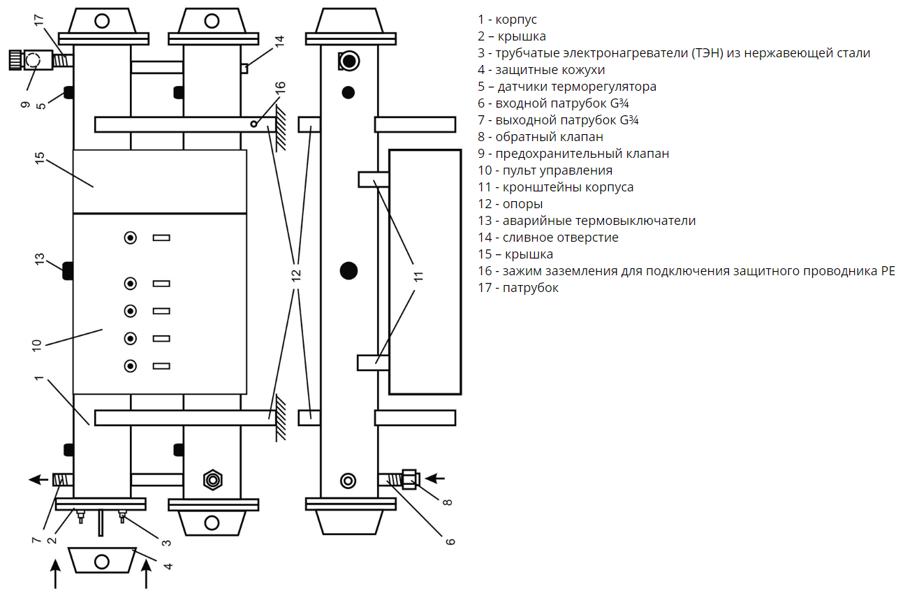
Электрический водонагреватель Эван ЭПВН-96 кВт модификации А (четыре ступени мощности 2x30 кВт+2x18 кВт), разработан специально для моментального обеспечения горячей водой бытового и хозяйственного назначения при использовании одновременно сразу нескольких точек водоразбора. Нагреватель воды Эван ЭПВН несравним по скорости приготовления воды, отлично подходит для поддержания неостановимых процессов на производстве требующих горячего водоснабжения. Проточные водонагреватели ЭПВН пользуются огромным спросом для обеспечения подогрева воды в спортивно-оздоровительных комплексах в душевых и бассейне. Проточный электроводонагреватель ЭПВН-96А мощностью в 96 кВт и напряжением 380В способен практически моментально нагреть воду до необходимой температуры и может быть использован даже в качестве единственного источника горячей воды для социальных и производственных помещений, различных душевых и умывальников в оздоровительных учреждениях. Эван ЭПВН-96А способен нагревать до 2400 литров воды в час. Проточный водонагреватель ЭПВН-96А может работать в автоматическом режиме без остановок в течении длительного времени. Особенность исполнения (А) заключается в возможности деления мощности водонагревателя и соответственно работе на 30/30/18/18 кВт или 96 кВт, что очень удобно при необходимости уменьшения количества нагрева воды и тем самым уменьшения расхода электро энергии. Режим нагрева без труда устанавливается на водонагреватели и может быть изменен по желанию пользователя мгновенно. Нагрев воды осуществляется в водонагревателе благодаря Тэнам из нержавеющей стали со специальным покрытием, которое предотвращает образование накипи на поверхности нагрева. Водонагреватель так же оснащен системой безопасности которая включает датчик перегрева, защищающий прибор от выхода за заданный температурный режим и при достижении температуры в 85 градусов, автоматическое отключение аварийным термовыключателем. Защита по воде представлена группой безопасности, которая включает в себя предохранительный клапан для защиты от излишнего давления воды и обратным клапаном, предохраняющий прибор от холостой работы.
Достоинства проточного водонагревателя Эван ЭПВН-96А
- Мощность водонагревателя 96 кВт
- Достаточно компактная конструкция при огромной производительности ГВС
- Высокая скорость нагрева воды
- Оснащён двумя фланцами
- Многоступенчатая система безопасности с защитой от перегрева, протока и излишнего давления;
- ТЭНы выполнены из нержавеющей стали;
- Аварийный термовыключатель без самовозврата (температура срабатывания — 85±3ºС);
- тщательно продуманная группа безопасности - предохранительный и обратный клапан;
- предохранительный клапан защищает от избыточного давления, которое может возникать при нагревании;
- обратный клапан страхует от включения водонагревателя при отсутствии воды, что в свою очередь может привести к сгоранию ТЭНа. Обратный клапан пропускает воду только внутрь водонагревателя, исключая ее поступление обратно в водопровод при отсутствии напора;
- датчик терморегулятора;
- гарантийное обслуживание производителя
- напольный/настенный монтаж.
- Низкая стоимость.
Устройство водонагревателя электрического Эван ЭПВН-96Б Технические характеристики ЭВАН ЭПВН-96А

Технические характеристики ЭВАН ЭПВН-96А
| Номинальная мощность | 96 кВт |
| Напряжение сети | 380 В; 50 Гц |
| Мощность фланца | 30/30/18/18 кВт |
| Номинальное давление воды | 0,6 МПа |
| Материал ТЭНа | нержавеющая сталь |
| Подключение вход/выход | наружная 3/4" |
| Способ установки | напольный |
| Температура срабатывания аварийного термовыключателя самовозвратом | 85±3 °С |
| Производительность при перепаде t 35 °С | 40 л/мин (2400 л/ч) |
| Вес водонагревателя | 90 кг |
| Габариты (ВхШхГ) | 640х470х1400 мм |
Выгодная цена на водонагреватели и в частности проточный электрический водонагреватель эван эпвн-96а обусловлена, прежде всего, огромными запасами продукции на собственном складском хранении, сотрудничеством с производителями напрямую и большими партиями поставок.
Купить проточный электрический водонагреватель эван эпвн-96а возможно как, самовывозом со склада, так и доставкой по Нижнему Новгороду и области. Осуществляем отправку такой продукции как, водонагреватели, а так же другого отопительного, водогрейного и газового оборудования по всей России через транспортные компании или СДЕК. На все продаваемое отопительное и газовое оборудование имеются паспорт производителя, сертификат соответствия и качества.
