- Бренды:
- Все бренды
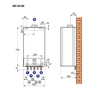
Настенный газовый котел De Dietrich MS 24 MI предназначен для отопления и горячего водоснабжения. Для мгновенного получения горячей воды используется пластинчатый теплообменник из нержавеющей стали. Поставляется полностью смонтированным, его легко установить и он сразу готов к работе. Функциональная электронная панель с цифровым дисплеем позволяет регулировать температуру с точностью до градуса. Для гибкого управления отопительной установкой можно дополнительно использовать 3 различных термостата.
MS 24 MI (открытая камера сгорания) — с подключением к дымовой трубе
MS 24 MI FF (закрытая камера сгорания) — с принудительным отводом продуктов сгорания, для подключения к горизонтальному или вертикальному
Особенности De Dietrich MS 24 MI:
- Котлы предназначены для работы на природном газе или пропане (набор для переоборудования на пропан заказывается как дополнительное оборудование)
- Первичный медный теплообменник покрыт слоем алюминиево-кремниевой краски, для увеличения его жаростойкости
- Атмосферная горелка с рампой из нержавеющей стали, электронным розжигом и ионизационным контролем пламени
- Газовый блок с 2 клапанами безопасности и с внешним устройством модуляции мощности
- Функциональная электронная панель управления с цифровым дисплеем
- Латунный гидравлический блок, включающий: 2-скоростной насос с автоматическим воздухоотводчиком, автоматический байпас, переключающий клапан отопление/ГВС, реле давления воды, кран для слива, разъединитель, предохранительный клапан на 3 бар, манометр, съемный фильтр и ограничитель расхода для контура отопления
- Датчик тяги для котла с открытой камерой сгорания и вытяжной вентилятор и реле давления воздуха для моделей с закрытой камерой сгорания
- Расширительный бак объемом 6 литров, монтажная планка для настенного крепления и кабель питания для подключения к электрической сети входят в комплект поставки котла
- Принадлежности для гидравлического подключения заказываются отдельно
Выгодная цена на котлы отопления и в частности настенный газовый котел de dietrich ms 24 mi обусловлена, прежде всего, огромными запасами продукции на собственном складском хранении, сотрудничеством с производителями напрямую и большими партиями поставок.
Купить настенный газовый котел de dietrich ms 24 mi возможно как, самовывозом со склада, так и доставкой по Нижнему Новгороду и области. Осуществляем отправку такой продукции как, котлы отопления, а так же другого отопительного, водогрейного и газового оборудования по всей России через транспортные компании или СДЕК. На все продаваемое отопительное и газовое оборудование имеются паспорт производителя, сертификат соответствия и качества.
