- Бренды:
- Все бренды
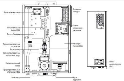
Настенный котел Kentatsu (Кентатсу) Nobby Electro KBO-13E является автономным тепловым оборудованием, которое использует для нагрева воды электрическую энергию. Модель оснащена встроенным циркуляционным насосом, расширительным баком и присутствует возможность установки бойлера косвенного нагрева для обеспечивания горячей водой.
Особенности и преимущества:
- Предохранительный клапан и система безопасности
- ЖК-дисплей с понятным символьным меню
- Встроенный циркуляционный насос и расширительный бак
- С возможностью подключения бойлера косвенного нагрева (трехходовой клапан и датчик температуры покупаются отдельно)
- Теплообменник из алюминиево магниевого сплава
- 3 программных ступени мощности
- Срок службы изделия (срок эксплуатации) — 10 лет
- Интуитивно понятный интерфейс
- Возможно подключения уличного и внутреннего датчика температуры
- Функция антизамерзания системы отопления
- Степень электрозащиты IPX4D
- Топливо – электричество
- Подключение wifi (опция)
- Многоуровневая система безопасности с системой самодиагностики
- Панель управления адаптирована для подключения уличного и комнатного термостата.
Модели с настенным типом крепления представлены компанией Kentatsu в большой линейке Nobby Electro KBO E двухконтурного отопительного оборудования широкого мощностного диапазона от 18 до 50 кВт, главным преимуществом которых является топливо — электричество. Простые в монтаже и настройке приборы оснащены расширительным баком и циркуляционным насосом.
Выгодная цена на котлы отопления и в частности электрический котел kentatsu nobby electro kbo-13e обусловлена, прежде всего, огромными запасами продукции на собственном складском хранении, сотрудничеством с производителями напрямую и большими партиями поставок.
Купить электрический котел kentatsu nobby electro kbo-13e возможно как, самовывозом со склада, так и доставкой по Нижнему Новгороду и области. Осуществляем отправку такой продукции как, котлы отопления, а так же другого отопительного, водогрейного и газового оборудования по всей России через транспортные компании или СДЕК. На все продаваемое отопительное и газовое оборудование имеются паспорт производителя, сертификат соответствия и качества.
