- Бренды:
- Все бренды
Компания Эван занимается производством и разработкой широкого спектра отопительного оборудования: электрические и твердотопливные котлы, накопительные и электроводонагреватели, тепловые насосы и теплонакопители. В настоящее время компания входит в состав международного концерна NIBE Industrial AB. Сеть представительств компании насчитывает около 110 организаций, как в России, так и в странах СНГ.
Электрические отопители выпускает в пяти классах, от класса эконом до класса люкс. Котел Эван ЭПО-18 относится к классу «Стандарт-Эконом». Он используется для отопления жилых, производственных и других помещений небольшой площади. Котел может быть как основным, так и резервным источником отопления. Его рекомендуется эксплуатировать в помещениях с естественной вентиляцией воздуха.
Котел Эван ЭПО-18 относится к приборам с первым классом защиты от электрического тока и подключается к однофазной трехпроводной электрической сети.
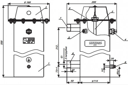
Котел состоит из корпуса с входными и выходными патрубками, крышки с ТЭНом из нержавеющей стали и регулятором температуры. Прибор устанавливается на стену в вертикальном положении. В качестве теплоносителя разрешается использовать воду или низкотемпературную жидкость без механических примесей.
Основными отличительными особенностями электроотопителя Эван ЭПО-18 является наличие аварийного термовыключателя, три пульта управления (аналоговый, электронный, модернизированный), а также экологичность, полная автоматизация управления и низкая стоимость.
Для продолжительной безопасной работы необходимо проводить регулярное техническое обслуживание прибора, кроме того, каждые 5 лет специалист сервисной службы должен проводить освидетельствование котла Эван ЭПО-18.
.jpg)
Электрический котел Эван ЭПО-18 поставляется в комплекте со шнуром и вилкой, регулятором температуры теплоносителя, пультом управления, аварийным термовыключателем, инструкцией по эксплуатации и гарантийным талоном.
Выгодная цена на котлы отопления и в частности электрический котел эван эпо-18 (11050) обусловлена, прежде всего, огромными запасами продукции на собственном складском хранении, сотрудничеством с производителями напрямую и большими партиями поставок.
Купить электрический котел эван эпо-18 (11050) возможно как, самовывозом со склада, так и доставкой по Нижнему Новгороду и области. Осуществляем отправку такой продукции как, котлы отопления, а так же другого отопительного, водогрейного и газового оборудования по всей России через транспортные компании или СДЕК. На все продаваемое отопительное и газовое оборудование имеются паспорт производителя, сертификат соответствия и качества.
