- Бренды:
- Все бренды
Напольный газовый котел ARTU R17K АОГВк-17,4 кВт является аппаратом отопительным газовым водогрейным с повышенной теплоотдачей, производиться российским заводом Апекс в Ростовской области г. Таганрог. Применяется для отопления помещений до 180 м2 и нагрева воды с целью организации горячего водоснабжения (второй конур ГВС). Котел ARTUR17К оснащен теплообменником из холоднокатаной конструкционной стали с увеличенным числом жаровых труб. За счёт увеличенного числа жаровых труб увеличен теплообмен и теплосъем в теплообменнике.
Теплообменник имеет 8 стягивающих шпилек, что обеспечивает меньшую вероятность разрыва стенок и течи теплообменника. В котле АОГВ ARTU за счёт применения турбулизаторов, которые имеют оптимальный угол изгиба — увеличен КПД. Конструкция турбулизаторов предотвращает задувание воздуха и обеспечивает более стабильную работу горелочного устройства. Гарантия производителя на все котлы ARTU равняется 3 годам (36 месяцев), а полный срок эксплуатации составляет 12-15 лет.
Котел ARTU АОГВк-17,4 поставляется с надежным блоком автоматики TGV. В отличие от своих аналогов автоматика имеет более надежный стабилизатор газа и гарантированно выдерживает более 20 тысяч циклов включения и отключения. Основная горелка Worgas трубчатого типа из нержавейки с лазерной насечкой производства Италия, а пилотная горелка Polidoro (Италия) выполнена также их нержавеющей стали. Горелка Worgas устанавливается на такие бренды как: Buderus, Baxi, Ferroli, Fondital, Viessmann, Wolf и многие другие.
Более продуманная теплоизоляция со всех сторон теплообменника и газоотводящего устройства обеспечивает защиту нагрева облицовки и эффективную работу системы отопления, а не нагрев помещения в котором находится котёл как у некоторых котлов других заводов. Котел газовый ARTU также отличается эксклюзивным строгим дизайном, подчеркивающим современность газового оборудования.
Изменённая форма крышки и дверцы с вырезом в виде стрелы, кроме эстетического назначения так же обеспечивает дополнительный доступ воздуха в область газогорелочного устройства, а так же обеспечивает вентиляцию за дверцей котла. Покраска производиться порошковой эмалью в несколько слоев, что обеспечивает надежное нанесение краски и долговечный привлекательный внешний вид котла ARTU.
Выгодная цена на котлы отопления и в частности двухконтурный газовый котел artu r17k аналог siberia аогвк-17,4 квт обусловлена, прежде всего, огромными запасами продукции на собственном складском хранении, сотрудничеством с производителями напрямую и большими партиями поставок.
Купить двухконтурный газовый котел artu r17k аналог siberia аогвк-17,4 квт возможно как, самовывозом со склада, так и доставкой по Нижнему Новгороду и области. Осуществляем отправку такой продукции как, котлы отопления, а так же другого отопительного, водогрейного и газового оборудования по всей России через транспортные компании или СДЕК. На все продаваемое отопительное и газовое оборудование имеются паспорт производителя, сертификат соответствия и качества.
Устройство двухконтурного газового котла ARTU-17К АОГВк-17,4 Ростов
Аппарат состоит из следующих основных частей: теплообменника основного и контура ГВС, крышки, стенок, газоотводящего устройства, запальной горелки, основной горелки, рамы, блока газового.


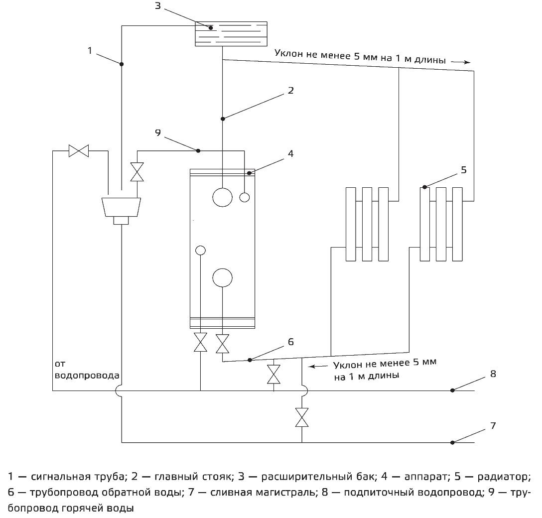
Примерная открытая схема системы отопления с использованием аппарата на горячее водоснабжение ARTU АОГВк-17,4 (с контуром ГВС)

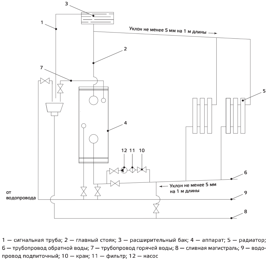
Примерная открытая схема системы отопления с использованием котла ARTU-17,4 S17K (с контуром ГВС) с насосом

Примерная закрытая схема системы отопления с использованием аппарата ARTU АОГВк-17,4 на
горячее водоснабжение

