- Бренды:
- Все бренды
Siberia 29К – это напольный двухконтурный газовый котел производства российского завода Ростовгазоаппарат. Котел Siberia Dream 29К (АОГВк-29) можно использовать как для отопления в жилых домах, так и на хозяйственных и промышленных объектах. В нашем интернет магазине вы можете купить Siberia 29к по приемлемой стоимости.
Аппарат отопительный газовый бытовой с водяным контуром Siberia 29К (АОГВк-29 модель Siberia Dream 29К) оборудован системой автоматики MINISIT 710 итальянского производства, идеально подходящей для применения в российских условиях. Особенностями данной системы являются возможность ее работы даже при невысоком давлении газа и воды, отсутствие необходимости в подключении к электрической сети и оснащенность пьезоэлектрическим розжигом. Отсутствие надобности в подключении к электрической сети представляет большую важность в местах, где нередко случаются нарушения электроснабжения.
Чтобы узнать цену Siberia Dream 29К (АОГВк-29), загляните в наш каталог товаров или уточняйте по телефону.
Благодаря использованию высококачественных материалов и тому, что сваривание осуществляется автоматически, бак теплообменника установки характеризуется повышенной прочностью и надежностью. Толщина теплообменника агрегата равна 3 мм, что является одной из наиболее важных характеристик, которые влияют на долговечность и неприхотливость отопительной установки в целом на протяжении всего срока ее эксплуатации.
Помимо вышеперечисленного, котлы Сиберия обладают множеством других преимуществ:
- Стальной теплообменник агрегата обеспечивает действенный подогрев теплоносителя;
- Благодаря современному дизайну, компактности и отсутствию шума при функционировании агрегат годится для установки в любое помещение;
- Установка аппаратов допускается как в природных системах водоснабжения, так и с принудительной циркуляцией воды;
- Для данных котлов характерен КПД до 90% и простое управление режима обогрева;
- Каждая установка поступает на рынок с толстым слоем тепловой изоляции, что придает надежности при эксплуатации;
- Цена Сиберия 29k отличается доступностью.
Интегрированная система автоматики EUROSIT (итальянского бренда) имеет такие достоинства:
- Наличие датчика тяги и возможности управления пламенем;
- Отсутствие надобности в регулировании комбинированного клапана;
- Умеет предельно точно поддерживать температуру;
- Блоки автоматики в аппарате удобно расположены, за счет чего им довольно легко управлять;
- После выбора режима работы горелки система автоматически определяет расход газа.
Не лишним будет отметить и функционирование горелки Polidoro производства Италия, которой оснащены конструкции Сиберия. У нее есть свои особенности, отличающие ее от продуктов конкурентов:
- Устройство отличается повышенным уровнем КПД – до 90%;
- Регулировка величины пламени осуществляется автоматически, причем происходит это довольно плавно;
- Данная горелка отличается экологичностью. В ее отходящих газах не содержаться вредные вещества;
- В случае смены сопла основной горелки и запальника Сиберия сможет функционировать на сжиженном газе;
- Материалом для производства горелки служила нержавеющая сталь. В связи с этим прогорание исключено даже при невысоком давлении газа;
- Регулировка температуры воды и отопления производится раздельно, благодаря чему летом котел может применяться в качестве водогрейного бойлера, причем система отопления будет отключенной.
Каждая модель обладает идентичными показателями по глубине и высоте, а именно – 560 и 850 мм соответственно. Что касается ширины, то она различается от модели к модели. Ее значение зависит от мощности аппарата и размеров теплообменника.
Выгодная цена на котлы отопления и в частности напольный газовый котел siberia 29к (с контуром гвс) обусловлена, прежде всего, огромными запасами продукции на собственном складском хранении, сотрудничеством с производителями напрямую и большими партиями поставок.
Купить напольный газовый котел siberia 29к (с контуром гвс) возможно как, самовывозом со склада, так и доставкой по Нижнему Новгороду и области. Осуществляем отправку такой продукции как, котлы отопления, а так же другого отопительного, водогрейного и газового оборудования по всей России через транспортные компании или СДЕК. На все продаваемое отопительное и газовое оборудование имеются паспорт производителя, сертификат соответствия и качества.
Устройство газового котла Siberia-29k АОГВК-23,2-3 Ростов мод. 2216-132 с MiniSit-710
Аппарат состоит из следующих основных частей: теплообменника, внутри которого расположен змеевик горячего водоснабжения, крышки, стенок, газоотводящего устройства, запальной горелки, основной горелки, рамы, блока газового.



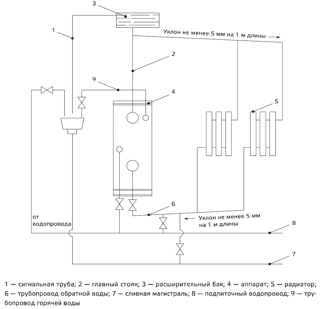
Примерная открытая схема системы отопления с использованием аппарата на горячее водоснабжение Сиберия 29к

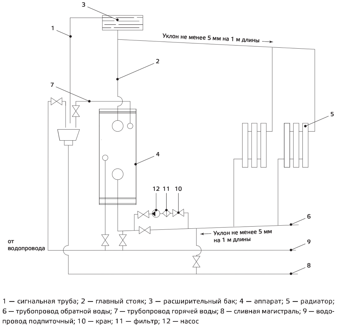
Примерная открытая схема системы отопления с использованием котла Siberia 29K на
горячее водоснабжение с насосом


