- Бренды:
- Все бренды
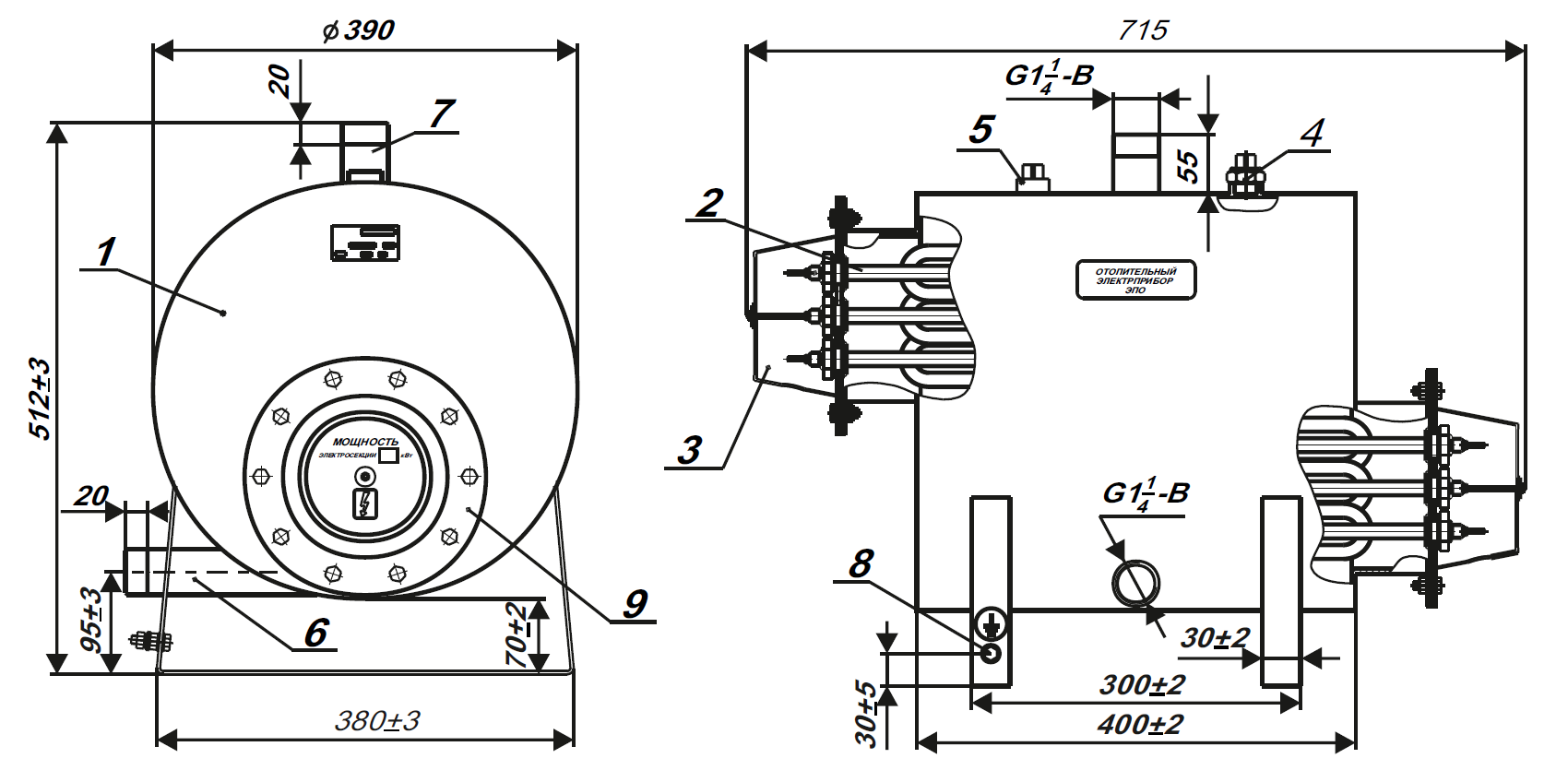
Электрический котел Эван ЭПО PRO-36 исполение А (18+18 кВт, без пульта) класса «ПРОФЕССИОНАЛ» предназначен для отопления объектов коммерческого, общественного и производственного назначения общей площадью до 360 кв. м. Приборы представляют собой емкость нагрева с двумя фланцами (каждый фланец состоит из 3 ТЭН, общее количество 6 ТЭН) имеют две ступени мощности 18/18 кВт. Требуемая температура теплоносителя в котлах устанавливается встроенным термостатом путем плавной регулировки от 30 до 85 градусов. Кроме того, котлы имеют возможность подключения внешнего термостата, при помощи которого можно регулировать температуру воздуха в помещении. В качестве внешнего термостата может быть использован модуль дистанционного управления котлом ZONT, который позволяет регулировать температуру в помещении на расстоянии, управлять работой котла и контролировать его исправность.
Электрические котлы ЭВАН ЭПО PRO класс Стандарт-Эконом используются для отопления жилых и административных помещений, а также производственных предприятий. Они имеют настенный способ крепления, что позволяет сэкономить пространство в малогабаритных помещениях. Котлы можно использоваться как в качестве основного источника обогрева или быть дополнительным элементом отопительной системы. Особенностью оборудования этой серии является простая конструкция котлов, что обеспечивает простоту их управления. Одноконтурные котлы ЭПО имеют прочный корпус, внутри которого находятся ТЭНы из нержавеющей стали. Благодаря использованию высококачественных, прочных и надежных материалов, электрические котлы ЭВАН класс Стандарт-Эконом отличаются длительным эксплуатационным сроком. Они полностью соответствуют международным стандартам качества и правилам безопасности. Несмотря на то, что котельное оборудование работает от электросети, оно является достаточно экономичным. Они позволяют экономить расход электроэнергии, при этом обеспечивают комфортную и теплую атмосферу в помещении.
Электрические котлы ЭВАН ЭПО PRO класс Стандарт-Эконом полностью адаптированы к российскому климату. Они способны работать в разных условиях. Благодаря высокому уровню производительности, оборудование пользуется большим спросом на современном рынке. Оборудование из этой серии отличается средней и большой мощностью, что практически не сказывается на стоимости котлов. Это недорогое котельное оборудование, которое способно эффективно обогревать средние и большие помещения, а также работать в качестве дополнительно источника тепла.

Преимущества и особенности:
- Однофланцевый
- Антикоррозийное полимерно-порошковое покрытие
- Рабочий и аварийный (самовозвратный) термодатчики
- Имеется возможность подключения выносного датчика по воздуху
- Единый корпус
- Встроенный ТЭН из нержавеющей стали
- Предусмотрен программируемый термостат с суточными и недельными программами
- Встроенная самовозвратная защита от перегрева и замораживания
- Надежная теплоизоляция
- Стабильная работа при изменении напряжения сети ±10%
- Предусмотрена релейная коммутация включения ТЭНов
- Эффективная система самодиагностики
Котел полноценно функционирует от напряжения 380В. Встроен предохранительный клапан. Оборудование полноценно функционирует в системах с естественной и принудительной циркуляцией теплоносителя. Эффективным теплоносителем является дистиллированная вода или иная жидкость, пригодная для системы отопления. Релейная система регулирования защищает систему и делает ее менее чувствительной к перепадам напряжения. Предусмотрена одна емкость нагрева, на которой расположен фланец и ТЭН изготовленный из нержавеющей стали. Для повышения уровня безопасности имеется входной и выходной патрубок и аварийный термовыключатель.
Выгодная цена на котлы отопления и в частности электрический котел эван эпо pro-36 18+18 обусловлена, прежде всего, огромными запасами продукции на собственном складском хранении, сотрудничеством с производителями напрямую и большими партиями поставок.
Купить электрический котел эван эпо pro-36 18+18 возможно как, самовывозом со склада, так и доставкой по Нижнему Новгороду и области. Осуществляем отправку такой продукции как, котлы отопления, а так же другого отопительного, водогрейного и газового оборудования по всей России через транспортные компании или СДЕК. На все продаваемое отопительное и газовое оборудование имеются паспорт производителя, сертификат соответствия и качества.
